MCU는 STM32F030F4P6을 사용하였고 관련 데이터 시트는 아래 첨부했습니다.
1. 핀 설정
1) 회로도 확인


회로도에서 외부에 8MHz의 crystal oscillator가 있는 것을 확인한다.
그리고 PF0, PF1핀에 XIN, XOUT으로 연결되는 것을 확인한다.
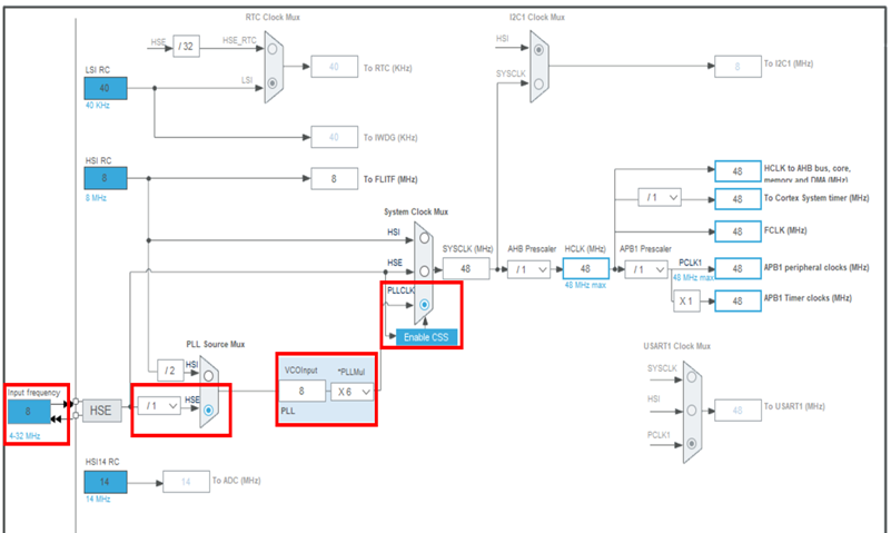
2) 데이터 시트 확인

위 그림에서 표시된 clock source 중 빨간색으로 표시된 clock source를 사용한다.
※ 용어 정리
HSI RC(8 MHz): High Speed Internal RC oscillator
HSE OSC(4~32 MHz): High Speed External OSCillator
LSE OSC(32.168 kHz): Low Speed External OSCillator
LSI RC(40 kHz): Low Speed Internal RC oscillator
※ RC oscillator와 Crystal oscillator 차이

3) 설정

핀을 활성화시키고, 다른 Parameter는 기본 설정으로 한다.
2. Clock 설정
1) 데이터 시트 확인

AHB와 APB는 최대 48MHz까지 가능하다는 것을 확인한다.
2) 설정

HSE는 1-1)에서 확인했던 회로도에서 8MHz oscillator이므로 8로 설정한다.
PLL Source Mux는 HSE를 사용하므로 HSE를 선택한다.
2-1)에서 AHB와 APB는 최대 48MHz까지 가능하다고 나와있으므로 PLLMul을 거기에 맞게 x6으로 설정한다.
System Clock Mux에는 PLLCLK를 선택한다.
'개발환경 > STM32CubeMX' 카테고리의 다른 글
| Debug 설정 - STM32F030F4P6 (1) | 2023.11.18 |
|---|---|
| ADC 설정 - STM32F030F4P6 (1) | 2023.11.18 |
| UART(RS-485) 설정 - STM32F030F4P6 (1) | 2023.11.18 |
| 타이머 설정 - STM32F030F4P6 (1) | 2023.11.18 |
| STM32CubeMX에서 STM32CubeIDE로 코드 생성하기 (1) | 2023.11.17 |