
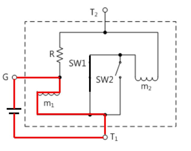
그림1(a)은 TRIAC을 기호로 나타낸 것이고, 그림1(b)는 TRIAC과 똑같은 동작을 하는 스위치 회로로 나타낸 것이다.

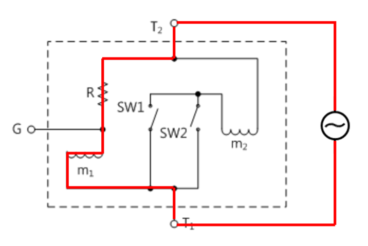
그림1(b)에서 G와 T1간에 전압을 공급하지 않고, T1과 T2간에만 전압을 공급한다면, 그림2와 같이 전류가 흐르겠지만 R의 저항이 대단히 크기 때문에 전류는 거의 흐르지 않는다.

그러나 전압을 점점 높여서 어느 한도 이상을 넘으면 m1이 전자석이 되어 SW1의 철편을 끌어당기므로
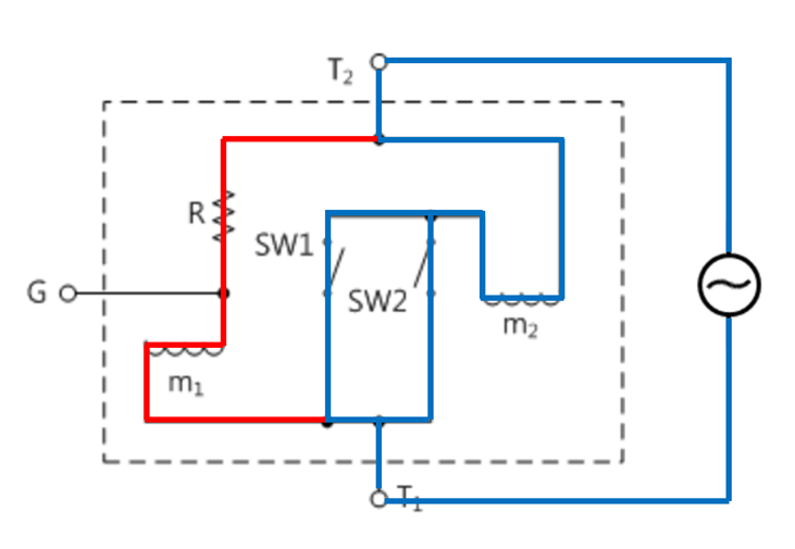
그림3과 같이 SW1이 ON 상태로 된다.

SW1이 ON상태로 되면, T1, T2간의 전류에 의하여 m2가 전자석이 되므로 그림4와 같이 SW2는 ON 상태가 된다.

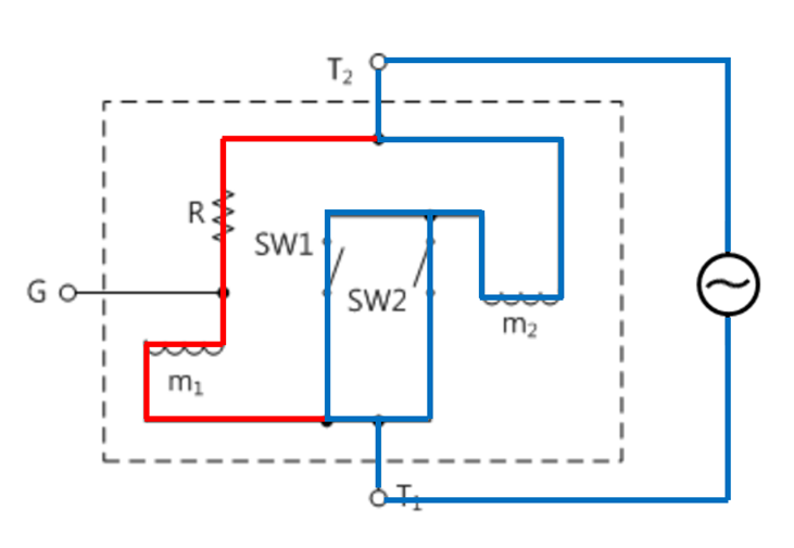
위와 반대로 공급전압이 점점 낮아져서 어느 한도 이하가 되면 그림5처럼 SW1이 OFF로 된다.

주전극 간의 전압이 0V에 가까워지면 주전극 간의 전류 감소로 m2의 자력이 약해져서 SW2의 철편이 스프링에 의해 떨어지므로 그림6처럼 SW2역시 OFF 상태가 된다. 즉, 그림2의 상태와 같아지므로 전류가 흐르겠지만 R의 저항이 대단히 크기 때문에 전류는 거의 흐르지 않는다.

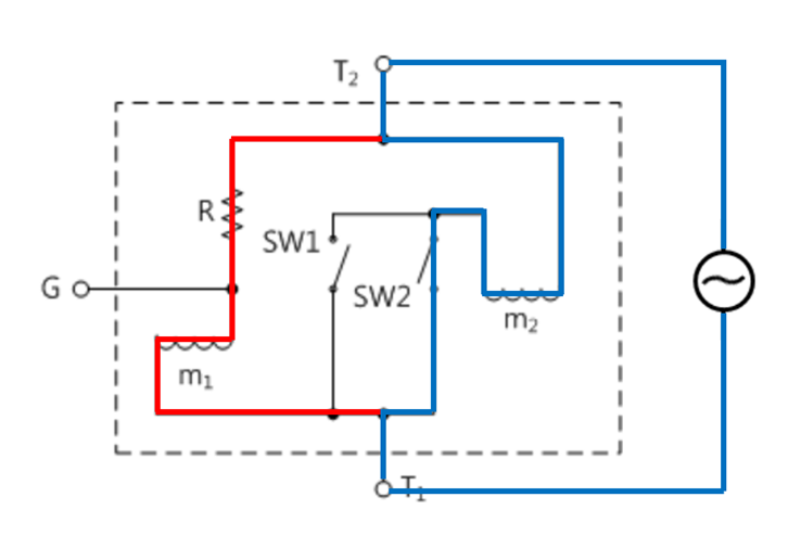
이제 G와 T1간에 전압을 공급하면 (+)전압이 걸린 쪽에서 (-)전압이 걸린 쪽으로 전류가 흐르게 되면서 그림7처럼 m1이 전자석이 되어 SW1의 철편을 끌어당기므로 SW1이 ON 상태로 된다.

이때 전류는 m2를 통과하게 되므로 그림8처럼 m2는 전자석이 되어 SW2가 ON 상태가 된다.

그럼 게이트 전류를 0으로 낮추어도 그림9처럼 m2는 계속 전자석이 되어 T1, T2간에 공급하는 전압이 0V로 되지 않는 한 ON 상태를 계속 유지하게 된다. 그러나 게이트 전류가 0인 상태에서 T1과 T2간에 공급하는 전압이 순간적일지라도 0으로 되는 때가 있다면, 그 때는 SW2가 OFF 상태로 바뀐다. TRIAC은 이상과 똑같은 동작을 하는 반도체소자이다.
<참고 자료>
http://www.chungpaemt.co.kr/ebook/AReS_EO_HTML2/HTMLContents/part6/experiment6_4_ko.html
AReS
PART6반도체 (Semiconductor) - 2 실험 4 :TRIAC 특성 (TRIAC Characteristic) 이론 트라이악(TRIAC)이란 3극으로 된 교류제어용 소자를 말하는데, 구조는 P형과 N형의 반도체를 그림 6-12(a)와 같이 5층으로 접합하고
www.chungpaemt.co.kr
'Hardware > H.W' 카테고리의 다른 글
| H.W 글 목록 (0) | 2023.05.19 |
|---|---|
| Pull-down 저항 값 선택 (0) | 2023.05.19 |
| Pull-up, Pull-down Resistor (1) | 2023.05.12 |
| 오실로스코프 측정 시 주의사항 (0) | 2023.05.09 |
| 환류 다이오드 (0) | 2023.04.25 |